Cảm biến lưu lượng nước YF-B8 được thiết kế dễ dàng lắp đặt. Thường được sử dụng trong các thiết bị như: máy lọc nước, máy pha cà phê, các máy pha chế, thiết bị xử lý nước thải, xử lý lước, hệ thống cấp nước sinh hoạt, điều hòa không khí.

Thông số kỹ thuật:
Tín hiệu đầu ra | Tín Hiệu Xung NPN |
Nguồn cấp: | 5 ~ 18VDC |
Lưu lượng đo | 1 ~ 30L/min |
Mã sản phẩm | YF-B8 |
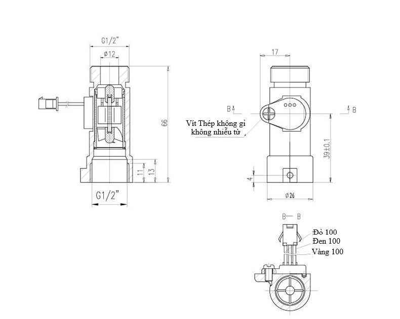
Kích thước lắp đặt | G ½ |
Áp lực chịu được | ≤1.7 Mpa |
Chu kỳ xung đầu ra | 50% ± 10% |
Sơ đồ kết nối dây:
Red (Đỏ): VCC: 5 ~ 18VDC
Yellow (Vàng): OUT
Black (Đen): GND
Công thức tính:
F = 6.6* Q ±5%
F: Tần số (Hz)
Q: Lưu lượng nước trong 1 phút (L/min)
6.6: Hệ số (tương ứng với cảm biến YF-B8)
Tín hiệu xung từ cảm biến:

Kích thước (mm):

Sản phẩm cùng loại
Danh Mục Sản Phẩm
- OpenSource - EMBEDDED
- OpenSource - HARDWARE DESIGN
- Camera Công Nghiệp - Machine Vision
- TRUYỀN DẪN QUANG - PHOTONICS
- INDUSTRIAL GATEWAY
- LOA CÒI ĐÈN CẢNH BÁO THÔNG MINH
- THÁP ĐÈN TÍN HIỆU
- GIÁI PHÁP ỨNG DỤNG
- CẢM BIẾN ỨNG DỤNG
- CẢM BIẾN CÔNG NGHIỆP
- TRUYỀN THÔNG CÔNG NGHIỆP
- BỘ ĐIỀU KHIỂN NHIỆT ẨM
- THIẾT BỊ CHỐNG SÉT



Bình luận