Bộ chuyển đổi cách ly tín hiệu 4-20mA | 0-5V | 0-10V 2 ngõ ra ( Isolate ) tích hợp tính đa năng tín hiệu ngõ vào và tín hiệu ngõ ra.
- Chuyển đổi đa năng tín hiệu dòng điện và điện áp tích hợp 2 ngõ ra 4 - 20mA, 0 - 5V, 0 - 10V
- Ngoài chuyển đổi tín hiệu thì thiết bị này còn có khả năng cách ly chống nhiễu giữa tín hiệu đầu vào, tín hiệu đầu ra và nguồn giúp cho tín hiệu sau khi chuyển đổi ổn định hơn.
- Chống nhiễu và chống cháy nổ cho các thiết bị điều khiển, PLC, DSC,...
- Có cấu tạo để lắp đặt vào thanh DIN RAIL trong tủ điện cách dễ dàng với ngàm bằng thép có lò xo giúp tháo lắp dễ dàng.
Vì sao phải dùng bộ cách ly chống nhiễu tín hiệu chống cháy nổ ?
Đối với các môi trường dễ gây chống nổ như : các trạm xăng dầu, kho xăng dầu, nhà máy nhiên liệu xăng dầu,…Khi sử dụng các thiết bị điện trong các nhà máy này thì phải bắt buộc phải có đủ tiêu chuẩn chống cháy nổ trên thiết bị.


Thông số kỹ thuật:
Dải điện áp | 15 – 30 VDC |
Công suất | <45mA |
Điện áp định mức | 24VDC |
Tín hiệu đầu vào | 4 - 20mA, 0 - 20mA, 0 – 5V, 0 – 10V |
Dòng điện ngõ ra | 4 - 20mA, 0 – 20mA, 0 – 10mA |
Điện áp ngõ ra | 1 – 5V, 0 – 5V, 0 – 10 V |
Độ chính xác tiêu chuẩn | ±0.1% |
Trở kháng điện áp | < 500 ohm |
Độ gợn điện áp | <10mVp-p |
Thời gian đáp ứng | <10ms(0-90%) |
Kích thước | W12.8 x H115 x D102(mm) |
Khả năng cách ly | 2.5kV, Imin, 50hZ |
Trở kháng cách ly | >100 Mohm / 500VDC |
Nhiệt độ làm việc | -20 ° C - 60 ° C |
Nhiệt độ bảo quản | -40 ° C - 60 ° C |
Độ ẩm hoạt động | 5 – 95%RH (Không ngưng tụ) |
Chất liệu | ABS chống cháy + PC |
Mức độ bảo vệ | IP20 |
Trọng lượng | 95 – 110gram |





Kích thước nhỏ gọn:

Lăp đặt dễ dàng:

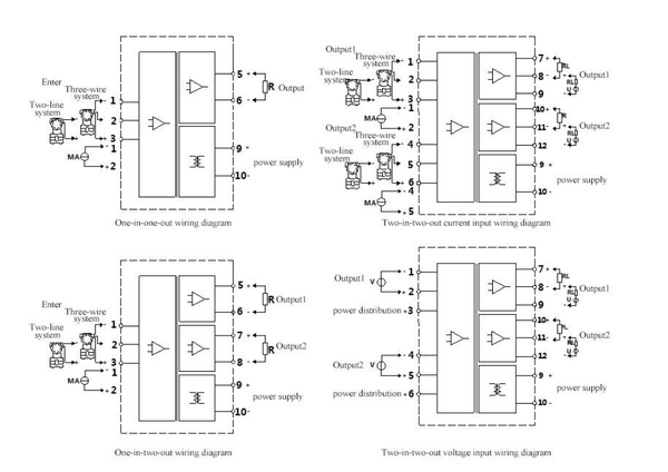
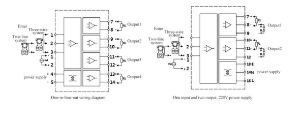
Sơ đồ đấu dây:


Tài liệu sản phẩm:
Link video sản phẩm:
Sản phẩm cùng loại
Danh Mục Sản Phẩm
- OpenSource - EMBEDDED
- OpenSource - HARDWARE DESIGN
- Camera Công Nghiệp - Machine Vision
- TRUYỀN DẪN QUANG - PHOTONICS
- INDUSTRIAL GATEWAY
- LOA CÒI ĐÈN CẢNH BÁO THÔNG MINH
- THÁP ĐÈN TÍN HIỆU
- GIÁI PHÁP ỨNG DỤNG
- CẢM BIẾN ỨNG DỤNG
- CẢM BIẾN CÔNG NGHIỆP
- TRUYỀN THÔNG CÔNG NGHIỆP
- BỘ ĐIỀU KHIỂN NHIỆT ẨM
- THIẾT BỊ CHỐNG SÉT



Bình luận