Cảm biến đo tốc độ gió trong đường ống ES-WS-01 dùng để đo tốc độ, lưu lượng gió trong đường đường ống, các tủ kín,...
Hoạt động thông qua một tấm film mỏng được gắn trên đầu cảm biến. Gió sẽ luồn qua tấm film này tạo ra sự rung động, chính vì vậy mà giúp cho cảm biến có thể đo chính xác tốc độ gió ở vận tốc thấp. Với ngõ ra RS485 thích hợp với nhiều ứng dụng và bộ điều khiển.



Tính năng
- Cảm biến tốc độ gió chính xác cao, phản ứng nhanh, phù hợp ống gió & ống khói dầu.
- Định chuẩn độc quyền, độ tuyến tính & độ chính xác cao.
- Lắp đặt xuyên ống, chống rò rỉ, bền bỉ.
- Hỗ trợ cài đặt diện tích ống, tự động tính & hiển thị lưu lượng gió.
- Giao tiếp RS485, chuẩn Modbus-RTU, truyền xa tới 2000m.
- Nhiều dải đo (0–10/15/20/30 m/s), độ chính xác cao.
- Đầu nối không cần dụng cụ, cắm là dùng.
- Thiết kế chống nhiễu EMC, hoạt động ổn định trong môi trường công nghiệp.
- Hỗ trợ cả nguồn AC & DC, tự nhận dạng nguồn.
- Nhận diện hướng gió thông minh, lắp đặt dễ dàng.
Thông số kỹ thuật
Nguồn điện | 10-30 VDC |
Tín hiệu ngõ ra | RS485 |
Truyền thông | RS485 Modbus RTU |
Nhiệt độ làm việc | -10 ℃ ~ 50 ℃ |
Độ phân giải | 0.1 m/s |
Độ chính xác | +- (0.2 + 2%FS) m/s |
Phạm vi | 0 - 30 m/s (mặc định) |
0-15 m/s / 0-20 m/s (chỉnh Switch) | |
Thời gian đáp ứng | 2s |
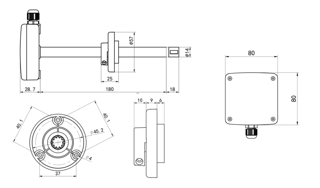
Kích thước

Đồ thị giá trị hiệu chỉnh

Nguyên lý hoạt động

Hướng dẫn lắp đặt

Kết nối dây

Giao thức truyền thông dữ liệu
|
Bảng địa chỉ thanh ghi
Register | Address | Description | Function Code |
0000H | 40001 | Current wind speed (m/s × 10) | 0x03 |
0001H | 40002 | Airflow (integer, m³/h) | 0x03 |
0002H | 40003 | Airflow float (high 16 bits) | 0x03 |
0003H | 40004 | Airflow float (low 16 bits) | 0x03 |
0200H | 40513 | Duct area (cm²) | 0x03 / 0x06 |
07D0H | 42001 | Device address | 0x03 / 0x06 |
07D1H | 42002 | Baud rate | 0x03 / 0x06 |
Tài liệu kỹ thuật sản phẩm
Sản phẩm cùng loại
Danh Mục Sản Phẩm
- OpenSource - EMBEDDED
- OpenSource - HARDWARE DESIGN
- Camera Công Nghiệp - Machine Vision
- TRUYỀN DẪN QUANG - PHOTONICS
- INDUSTRIAL GATEWAY
- LOA CÒI ĐÈN CẢNH BÁO THÔNG MINH
- THÁP ĐÈN TÍN HIỆU
- GIÁI PHÁP ỨNG DỤNG
- CẢM BIẾN ỨNG DỤNG
- CẢM BIẾN CÔNG NGHIỆP
- TRUYỀN THÔNG CÔNG NGHIỆP
- BỘ ĐIỀU KHIỂN NHIỆT ẨM
- THIẾT BỊ CHỐNG SÉT



Bình luận